 
    
    
等截面薄壁轴承(C型)
类别:等截面薄壁轴承
等截面薄壁径向深沟球轴承(C型)是常规设计的单列径向球轴承。其内圈和外圈会有特殊的位移,这样可以装入的滚珠数量大约是满滚子的一半。 虽然 C 型轴承主要用来承受径向载荷,但也可以承受有限的来自某一方向的轴向(推力)载荷。但是,如果轴向载荷是重要因素的话,用角接触球轴承会更合适。
咨询热线:0379-64115152
等截面薄壁轴承(C型)
类别:等截面薄壁轴承
等截面薄壁径向深沟球轴承(C型)是常规设计的单列径向球轴承。其内圈和外圈会有特殊的位移,这样可以装入的滚珠数量大约是满滚子的一半。 虽然 C 型轴承主要用来承受径向载荷,但也可以承受有限的来自某一方向的轴向(推力)载荷。但是,如果轴向载荷是重要因素的话,用角接触球轴承会更合适。
咨询热线:0379-64115152
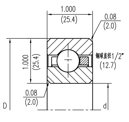
等截面深沟球薄壁轴承(C型)是常规设计的单列径向球轴承。主要承受径向载荷。其内圈和外圈会有特殊的位移,这样可以装入的滚珠数量大约是满滚子的一半。虽然 C 型轴承主要用来承受径向载荷,但也可以承受有限的来自某一方向的单向推力载荷,一般与另一个轴承共同使用。但是,如果轴向载荷是重要因素的话,用角接触球轴承会更合适。
| 等截面薄壁轴承(径向深沟球类型) | ||||||
| ◆NKAA SERIES 
 | ||||||
| 型号 | 尺寸(mm) | 载荷(N) | 重量 | |||
| d | D | H | Cor | Cr | Kg | |
| NKAA10CP0 | 25.400 | 34.925 | 4.762 | 1290 | 670 | 0.012 | 
| NKAA15CP0 | 38.100 | 47.625 | 4.762 | 1780 | 800 | 0.018 | 
| NKAA17CP0 | 44.450 | 53.975 | 4.762 | 2110 | 1770 | 0.020 | 
| ◆NKA SERIES 
 | ||||||
| 型号 | 尺寸(mm) | 载荷(N) | 重量 | |||
| d | D | H | Cor | Cr | Kg | |
| NKA020CP0 | 50.800 | 63.500 | 6.350 | 3020 | 1420 | 0.048 | 
| NKA025CP0 | 63.500 | 76.200 | 6.350 | 3690 | 1600 | 0.059 | 
| NKA030CP0 | 76.200 | 88.900 | 6.350 | 4400 | 1820 | 0.068 | 
| NKA035CP0 | 88.900 | 101.600 | 6.350 | 5070 | 2000 | 0.082 | 
| NKA040CP0 | 101.600 | 114.300 | 6.350 | 5730 | 2130 | 0.090 | 
| NKA042CP0 | 107.950 | 120.650 | 6.350 | 6090 | 2220 | 0.095 | 
| NKA045CP0 | 114.300 | 127.000 | 6.350 | 6400 | 2310 | 0.100 | 
| NKA047CP0 | 120.650 | 133.350 | 6.350 | 6760 | 2400 | 0.104 | 
| NKA050CP0 | 127.000 | 139.700 | 6.350 | 7070 | 2490 | 0.109 | 
| NKA055CP0 | 139.700 | 152.400 | 6.350 | 7780 | 2620 | 0.118 | 
| NKA060CP0 | 152.400 | 165.100 | 6.350 | 8450 | 2800 | 0.130 | 
| NKA065CP0 | 165.100 | 177.800 | 6.350 | 9110 | 2930 | 0.140 | 
| NKA070CP0 | 177.800 | 190.500 | 6.350 | 9780 | 3070 | 0.150 | 
| NKA075CP0 | 190.500 | 203.200 | 6.350 | 10450 | 3200 | 0.160 | 
| NKA080CP0 | 203.200 | 215.900 | 6.350 | 11110 | 3330 | 0.172 | 
| NKA090CP0 | 228.600 | 241.300 | 6.350 | 12490 | 3600 | 0.200 | 
| NKA100CP0 | 254.000 | 266.700 | 6.350 | 13820 | 3870 | 0.227 | 
| NKA110CP0 | 279.400 | 292.100 | 6.350 | 15160 | 4130 | 0.236 | 
| NKA120CP0 | 304.800 | 317.500 | 6.350 | 16540 | 4360 | 0.254 | 
| ◆NKB SERIES 
 | ||||||
| 型号 | 尺寸(mm) | 载荷(N) | 重量 | |||
| d | D | H | Cor | Cr | Kg | |
| NKB020CP0 | 50.800 | 66.675 | 7.938 | 4130 | 2000 | 0.073 | 
| NKB025CP0 | 63.500 | 79.375 | 7.938 | 5070 | 2310 | 0.091 | 
| NKB030CP0 | 76.200 | 92.075 | 7.938 | 5960 | 2580 | 0.109 | 
| NKB035CP0 | 88.900 | 104.775 | 7.938 | 6850 | 2800 | 0.125 | 
| NKB040CP0 | 101.600 | 117.475 | 7.938 | 7780 | 3070 | 0.140 | 
| NKB042CP0 | 107.950 | 123.825 | 7.938 | 8130 | 3160 | 0.147 | 
| NKB045CP0 | 114.300 | 130.175 | 7.938 | 8670 | 3290 | 0.160 | 
| NKB047CP0 | 120.650 | 136.525 | 7.938 | 9020 | 3380 | 0.163 | 
| NKB050CP0 | 127.000 | 142.875 | 7.938 | 9560 | 3510 | 0.172 | 
| NKB055CP0 | 139.700 | 155.575 | 7.938 | 10490 | 3730 | 0.186 | 
| NKB060CP0 | 152.400 | 168.275 | 7.938 | 11380 | 3960 | 0.205 | 
| NKB065CP0 | 165.100 | 180.975 | 7.938 | 12270 | 4130 | 0.216 | 
| NKB070CP0 | 177.800 | 193.675 | 7.938 | 13200 | 4360 | 0.232 | 
| NKB075CP0 | 190.500 | 206.375 | 7.938 | 14090 | 4530 | 0.250 | 
| NKB080CP0 | 203.200 | 219.075 | 7.938 | 14980 | 4760 | 0.262 | 
| NKB090CP0 | 228.600 | 244.475 | 7.938 | 16800 | 5110 | 0.300 | 
| NKB100CP0 | 254.000 | 269.875 | 7.938 | 18620 | 5470 | 0.331 | 
| NKB110CP0 | 279.400 | 295.275 | 7.938 | 20400 | 5820 | 0.360 | 
| NKB120CP0 | 304.800 | 320.675 | 7.938 | 22230 | 6180 | 0.390 | 
| NKB140CP0 | 355.600 | 371.475 | 7.938 | 25830 | 6800 | 0.476 | 
| NKB160CP0 | 406.400 | 422.275 | 7.938 | 29430 | 7420 | 0.544 | 
| NKB180CP0 | 457.200 | 473.075 | 7.938 | 33070 | 8050 | 0.612 | 
| NKB200CP0 | 508.000 | 523.875 | 7.938 | 36670 | 8620 | 0.68 | 
| ◆NKC SERIES 
 | ||||||
| 型号 | 尺寸(mm) | 载荷(N) | 重量 | |||
| d | D | H | Cor | Cr | Kg | |
| NKC040CP0 | 101.600 | 120.650 | 9.525 | 9330 | 3910 | 0.204 | 
| NKC042CP0 | 107.950 | 127.000 | 9.525 | 9780 | 4090 | 0.213 | 
| NKC045CP0 | 114.300 | 133.350 | 9.525 | 10400 | 4220 | 0.225 | 
| NKC047CP0 | 120.650 | 139.700 | 9.525 | 10930 | 4360 | 0.235 | 
| NKC050CP0 | 127.000 | 146.050 | 9.525 | 11510 | 4490 | 0.263 | 
| NKC055CP0 | 139.700 | 158.750 | 9.525 | 12580 | 4800 | 0.268 | 
| NKC060CP0 | 152.400 | 171.450 | 9.525 | 13650 | 5070 | 0.295 | 
| NKC065CP0 | 165.100 | 184.150 | 9.525 | 14710 | 5330 | 0.312 | 
| NKC070CP0 | 177.800 | 196.850 | 9.525 | 15780 | 5560 | 0.340 | 
| NKC075CP0 | 190.500 | 209.550 | 9.525 | 16850 | 5820 | 0.360 | 
| NKC080CP0 | 203.200 | 222.250 | 9.525 | 17910 | 6050 | 0.387 | 
| NKC090CP0 | 228.600 | 247.650 | 9.525 | 20050 | 6530 | 0.450 | 
| NKC100CP0 | 254.000 | 273.050 | 9.525 | 22180 | 6980 | 0.481 | 
| NKC110CP0 | 279.400 | 298.450 | 9.525 | 24310 | 7420 | 0.526 | 
| NKC120CP0 | 304.800 | 323.850 | 9.525 | 26450 | 7870 | 0.567 | 
| NKC140CP0 | 355.600 | 374.650 | 9.525 | 30720 | 8670 | 0.689 | 
| NKC160CP0 | 406.400 | 425.450 | 9.525 | 35030 | 9470 | 0.785 | 
| NKC180CP0 | 457.200 | 476.250 | 9.525 | 39290 | 10220 | 0.880 | 
| NKC200CP0 | 508.000 | 527.050 | 9.525 | 43560 | 10980 | 0.980 | 
| ◆NKD SERIES 
 | ||||||
| 型号 | 尺寸(mm) | 载荷(N) | 重量 | |||
| d | D | H | Cor | Cr | Kg | |
| NKD040CP0 | 101.600 | 127.000 | 12.700 | 13690 | 6270 | 0.366 | 
| NKD042CP0 | 107.950 | 133.350 | 12.700 | 14180 | 6400 | 0.386 | 
| NKD045CP0 | 114.300 | 139.700 | 12.700 | 15200 | 6710 | 0.405 | 
| NKD047CP0 | 120.650 | 146.050 | 12.700 | 15690 | 6850 | 0.426 | 
| NKD050CP0 | 127.000 | 152.400 | 12.700 | 16710 | 7160 | 0.454 | 
| NKD055CP0 | 139.700 | 165.100 | 12.700 | 18230 | 7560 | 0.485 | 
| NKD060CP0 | 152.400 | 177.800 | 12.700 | 19780 | 8000 | 0.526 | 
| NKD065CP0 | 165.100 | 190.500 | 12.700 | 21290 | 8400 | 0.566 | 
| NKD070CP0 | 177.800 | 203.200 | 12.700 | 22800 | 8800 | 0.606 | 
| NKD075CP0 | 190.500 | 215.900 | 12.700 | 24310 | 9160 | 0.650 | 
| NKD080CP0 | 203.200 | 228.600 | 12.700 | 25830 | 9560 | 0.694 | 
| NKD090CP0 | 228.600 | 254.000 | 12.700 | 28890 | 10310 | 0.780 | 
| NKD100CP0 | 254.000 | 279.400 | 12.700 | 31920 | 10980 | 0.853 | 
| NKD110CP0 | 279.400 | 304.800 | 12.700 | 34980 | 11690 | 0.934 | 
| NKD120CP0 | 304.800 | 330.200 | 12.700 | 38010 | 12360 | 1.020 | 
| NKD140CP0 | 355.600 | 381.000 | 12.700 | 44090 | 13650 | 1.240 | 
| NKD160CP0 | 406.400 | 431.800 | 12.700 | 50180 | 14890 | 1.410 | 
| NKD180CP0 | 457.200 | 482.600 | 12.700 | 56230 | 16050 | 1.580 | 
| NKD200CP0 | 508.000 | 533.400 | 12.700 | 62320 | 17200 | 1.750 | 
| ◆NKF SERIES 
 | ||||||
| 型号 | 尺寸(mm) | 载荷(N) | 重量 | |||
| d | D | H | Cor | Cr | Kg | |
| NKF040CP0 | 101.600 | 139.700 | 19.050 | 23830 | 12130 | 0.875 | 
| NKF042CP0 | 107.950 | 146.050 | 19.050 | 25070 | 12580 | 0.930 | 
| NKF045CP0 | 114.300 | 152.400 | 19.050 | 26360 | 12980 | 0.975 | 
| NKF047CP0 | 120.650 | 158.750 | 19.050 | 27600 | 13380 | 1.040 | 
| NKF050CP0 | 127.000 | 165.100 | 19.050 | 28850 | 13780 | 1.090 | 
| NKF055CP0 | 139.700 | 177.800 | 19.050 | 31340 | 14580 | 1.180 | 
| NKF060CP0 | 152.400 | 190.500 | 19.050 | 33870 | 15340 | 1.240 | 
| NKF065CP0 | 165.100 | 203.200 | 19.050 | 36360 | 16090 | 1.350 | 
| NKF070CP0 | 177.800 | 215.900 | 19.050 | 38890 | 16850 | 1.450 | 
| NKF075CP0 | 190.500 | 228.600 | 19.050 | 41380 | 17560 | 1.560 | 
| NKF080CP0 | 203.200 | 241.300 | 19.050 | 43920 | 18230 | 1.660 | 
| NKF090CP0 | 228.600 | 266.700 | 19.050 | 48900 | 19600 | 1.810 | 
| NKF100CP0 | 254.000 | 292.100 | 19.050 | 53920 | 20940 | 2.020 | 
| NKF110CP0 | 279.400 | 317.500 | 19.050 | 58940 | 22230 | 2.180 | 
| NKF120CP0 | 304.800 | 342.900 | 19.050 | 63960 | 23470 | 2.380 | 
| NKF140CP0 | 355.600 | 393.700 | 19.050 | 74010 | 25830 | 2.720 | 
| NKF160CP0 | 406.400 | 444.500 | 19.050 | 84010 | 28140 | 3.220 | 
| NKF180CP0 | 457.200 | 495.300 | 19.050 | 94060 | 30320 | 3.580 | 
| NKF200CP0 | 508.000 | 546.100 | 19.050 | 104100 | 32450 | 4.040 | 
| ◆NKG SERIES 
 | ||||||
| 型号 | 尺寸(mm) | 载荷(N) | 重量 | |||
| d | D | H | Cor | Cr | Kg | |
| NKG040CP0 | 101.600 | 152.400 | 25.400 | 36490 | 20000 | 1.650 | 
| NKG042CP0 | 107.950 | 158.750 | 25.400 | 36490 | 20000 | 1.750 | 
| NKG045CP0 | 114.300 | 165.100 | 25.400 | 38940 | 20900 | 1.810 | 
| NKG047CP0 | 120.650 | 171.450 | 25.400 | 41340 | 21740 | 1.910 | 
| NKG050CP0 | 127.000 | 177.800 | 25.400 | 43780 | 22580 | 2.020 | 
| NKG055CP0 | 139.700 | 190.500 | 25.400 | 46230 | 23430 | 2.170 | 
| NKG060CP0 | 152.400 | 203.200 | 25.400 | 51070 | 25030 | 2.310 | 
| NKG065CP0 | 165.100 | 215.900 | 25.400 | 53520 | 25830 | 2.470 | 
| NKG070CP0 | 177.800 | 228.600 | 25.400 | 58360 | 27380 | 2.670 | 
| NKG075CP0 | 190.500 | 241.300 | 25.400 | 60810 | 28140 | 2.830 | 
| NKG080CP0 | 203.200 | 254.000 | 25.400 | 65650 | 29600 | 3.000 | 
| NKG090CP0 | 228.600 | 279.400 | 25.400 | 72990 | 31780 | 3.300 | 
| NKG100CP0 | 254.000 | 304.800 | 25.400 | 80280 | 33870 | 3.650 | 
| NKG110CP0 | 279.400 | 330.200 | 25.400 | 87570 | 35870 | 3.960 | 
| NKG120CP0 | 304.800 | 355.600 | 25.400 | 94860 | 37830 | 4.320 | 
| NKG140CP0 | 355.600 | 406.400 | 25.400 | 109440 | 41600 | 4.960 | 
| NKG160CP0 | 406.400 | 457.200 | 25.400 | 124060 | 45250 | 5.650 | 
| NKG180CP0 | 457.200 | 508.000 | 25.400 | 138640 | 48720 | 6.280 | 
| NKG200CP0 | 508.000 | 558.800 | 25.400 | 153220 | 52100 | 7.530 | 
| NKG250CP0 | 635.000 | 685.800 | 25.400 | 174000 | 71000 | 8.850 | 
10余年轴承设计加工经验
公司具有10余年轴承设计加工经验,拥有专业轴承研发技术团队和自动化的加工设备。大大提高的产品的精度,完善了产品的服务。
产品分类覆盖面广
等截面薄壁轴承有七个开式和五个密封类型,内孔直径从1英寸-40英寸均可加工,结构分为深沟球、四点接触球、角接触球三种。交叉滚子轴承有RB型、SX型、RE型、RU型、XV型、CRBH型、CRBS型、CRBC型、CRBF型。型号齐全,可供选型。
主要业务行业覆盖面广
主要为工业机器人、纺织机械、谐波减速器、工程矿山机械、医疗领域等行业提供高质量轴承。
完善的售后服务体系
本厂集科研开发、生产、销售于一体,以意识超前,科技前卫和质量过硬深受用户青睐。

扫一扫
扫一扫