港彩二四六天天彩资料,香港彩库宝典手机版,2024年新澳门今,跑狗图新一代5043资料,777788888王中王最新

等截面薄壁轴承 密封薄壁轴承 公制球轴承 密封公制球轴承 交叉滚子轴承 谐波减速器轴承 转盘轴承 柔性轴承
当前位置:首页 > 产品中心 > 谐波减速器轴承
CRBF-S(SHF)系列

CRBF-S(SHF)系列

类别:谐波减速器轴承

咨询热线:0379-64115152

立即订购

立即订购

CRBF-S(SHF)系列

CRBF-S(SHF)系列

类别:谐波减速器轴承

咨询热线:0379-64115152

立即订购

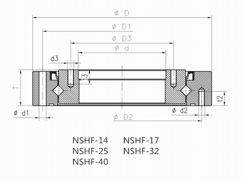
谐波减速器专用SHF系列

SHF-02SHF-01

Item NoDimension(mm)Basic Cap (KN)Weight
dDTD1D2D21D3rsminCrCorKg
NSHF-14387015.106464440.5x45°5.407.100.28
NSHF-17478017.007474540.5x45°10.4014.200.39
NSHF-20549018.508484620.5x45°16.1022.400.50
NSHF-256811020.70102102770.5x45°17.8027.400.81
NSHF-328814224.401321321000.5x45°25.6042.001.70
NSHF-4010817030.001581581220.5x45°42.1068.402.79
NSHF-5013521436.002002001540.5x45°69.80121.605.19
  • 10余年轴承设计加工经验

    公司具有10余年轴承设计加工经验,拥有专业轴承研发技术团队和自动化的加工设备。大大提高的产品的精度,完善了产品的服务。

  • 产品分类覆盖面广

    等截面薄壁轴承有七个开式和五个密封类型,内孔直径从1英寸-40英寸均可加工,结构分为深沟球、四点接触球、角接触球三种。交叉滚子轴承有RB型、SX型、RE型、RU型、XV型、CRBH型、CRBS型、CRBC型、CRBF型。型号齐全,可供选型。

  • 主要业务行业覆盖面广

    主要为工业机器人、纺织机械、谐波减速器、工程矿山机械、医疗领域等行业提供高质量轴承。

  • 完善的售后服务体系

    本厂集科研开发、生产、销售于一体,以意识超前,科技前卫和质量过硬深受用户青睐。

在线询价 Message
相关推荐 Recommend

联系我们

Contact us

联系人:杨经理
咨询热线:0379-64115152
手机:13837982488
邮箱:yang@bearingly.com
地址:洛阳市涧西区三西路西马沟段
网站地图 XML地图
豫公网安备 41030502000210号
薄壁轴承,超薄轴承,等截面薄壁轴承,工业机器人轴承,密封轴承,球轴承

扫一扫

扫一扫

主站蜘蛛池模板: 2023澳门今晚开奖结果是多少| 澳门正版资料免费公开金多宝| 香港澳门开奖免费开奖图库 | 老澳门开奖结果2023年| 澳门200224期开奖号码| 新奥门开奖查询结果今天直播| 澳门彩新彩资料42862COm| 澳门精准铁算算盘论坛| 香港今晚必中一当天图| 2024年香港正版资料大全最新版本| 所有足球赛事| 澳门六开彩资料最新查询2024| 全网最准澳门彩| 澳门开奖123网| 长歌行在线观看免费高清完整版| 澳门资料大全正版资料下载全正版资料下载 | 2023今晚必开一肖一码 | 澳门精准一肖一码一码欢迎回来| 49853澳彩开奖结果查询| 新奥彩管家婆资料 | 老奥门的开奖结果记录与历史| 澳门菅家婆一肖一码| 秋霞在线观看免费高清| 重生电视剧免费观看星辰影视| 泛解析苹果cms站群| 出拳吧,妈妈免费观看高清完整版国语| 体育生可以报考| 勇敢的你电视剧免费观看| Office有鬼| 新澳门开奖结果查询网站2024年| 香港今晚六给彩开什么进来15期| 2024年老澳门今晚开奖号码查询| 今日排五开奖结果| 2021年澳门最佳开奖结果| 比较挣钱的网络游戏| 城中之城 电视剧| 澳门三肖三码期期准免费提供| 新澳天天开奖资料大全最新54期图片下载 | 4949澳门开奖最快,2024年新| 体育比赛记分牌| 澳门王中王精准内部资料 |