 
    
    
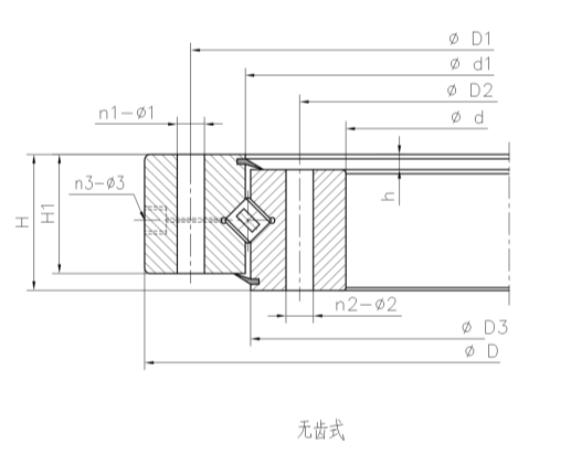
交叉滚子转盘无齿型
类别:转盘轴承
单排交叉滚子型转盘轴承由两个套圈组成,结构紧凑、重量轻、制造精度高,能同时承受轴向力、倾覆力矩和较大的径向力,根据使用场合的不同可以分别选择带有内齿或外齿的齿圈,安装和使用方便。被广泛地用于起重运输,工程机械。
咨询热线:0379-64115152
交叉滚子转盘无齿型
类别:转盘轴承
单排交叉滚子型转盘轴承由两个套圈组成,结构紧凑、重量轻、制造精度高,能同时承受轴向力、倾覆力矩和较大的径向力,根据使用场合的不同可以分别选择带有内齿或外齿的齿圈,安装和使用方便。被广泛地用于起重运输,工程机械。
咨询热线:0379-64115152
单排交叉滚子型转盘轴承由两个套圈组成,结构紧凑、重量轻、制造精度高,能同时承受轴向力、倾覆力矩和较大的径向力,根据使用场合的不同可以分别选择带有内齿或外齿的齿圈,安装和使用方便。被广泛地用于起重运输,工程机械。
| 交叉滚子型转盘轴承无齿式 
 | |||||
| 轴承型号 | 外 形 尺 寸 | 载荷 | 重量 | ||
| Item No | Dimensions | Basic Cap | Weight | ||
| D | d | H | Coa(10KN) | kg | |
| 79764 | 550 | 320 | 85 | 88.2 | 85.6 | 
| 797/600G2 | 900 | 600 | 125 | 280 | 246 | 
| 797/670 | 907 | 670 | 85 | 165 | 170 | 
| 797/700G | 1000 | 700 | 140 | 254 | 370 | 
| 797/845G2 | 1150 | 845 | 130 | 401 | 393 | 
| 797/870G | 1180 | 870 | 115 | 292 | 355 | 
| 797/870K | 1180 | 870 | 115 | 232 | 355 | 
| 797/870G2K1 | 1180 | 870 | 115 | 320 | 356 | 
| 797/962G2 | 1200 | 962 | 90 | 254 | 224 | 
| 792/1000G2 | 1270 | 1000 | 100 | 333 | 303 | 
| 792/1000G2K | 1270 | 1000 | 100 | 333 | 303 | 
| 792/1000G2K1 | 1270 | 1000 | 100 | 333 | 303 | 
| 792/1000G2K2 | 1270 | 1000 | 100 | 333 | 303 | 
| 797/1060G2 | 1400 | 1060 | 120 | 429 | 596 | 
| 797/1200G2 | 1520 | 1200 | 90 | 409 | 504 | 
| 792/1250G2 | 1700 | 1250 | 155 | 602 | 1103 | 
| 797/1250G2 | 1608 | 1250 | 148 | 595 | 743 | 
| 797/1250G2K | 1608 | 1250 | 148 | 595 | 717 | 
| 797/1278G2K | 1660 | 1278 | 120 | 427 | 589 | 
| 797/1320G2 | 1715 | 1320 | 134 | 607 | 958 | 
| 797/1370G | 1840 | 1370 | 160 | 997 | 1213 | 
| 797/1380G2 | 1700 | 1380 | 145 | 461 | 746 | 
| 3-944G2 | 1680 | 1412 | 170 | 617 | 725 | 
| 3-944G2K | 1680 | 1412 | 170 | 576 | 723 | 
| 3-944G2K1 | 1680 | 1412 | 185 | 576 | 759 | 
| 797/1600G | 2140 | 1600 | 145 | 896 | 1357 | 
| 797/1776G2 | 2210 | 1776 | 150 | 1113 | 1244 | 
| 797/1860G2 | 2320 | 1860 | 151 | 890 | 1772 | 
| 797/1916G2 | 2320 | 1916 | 150 | 1195 | 1214 | 
| 797/2190G | 2860 | 2190 | 300 | 3035 | 4797 | 
| 797/2500G2 | 2980 | 2500 | 180 | 1760 | 2913 | 
| 792/2800G | 3310 | 2800 | 190 | 2117 | 2864 | 
10余年轴承设计加工经验
公司具有10余年轴承设计加工经验,拥有专业轴承研发技术团队和自动化的加工设备。大大提高的产品的精度,完善了产品的服务。
产品分类覆盖面广
等截面薄壁轴承有七个开式和五个密封类型,内孔直径从1英寸-40英寸均可加工,结构分为深沟球、四点接触球、角接触球三种。交叉滚子轴承有RB型、SX型、RE型、RU型、XV型、CRBH型、CRBS型、CRBC型、CRBF型。型号齐全,可供选型。
主要业务行业覆盖面广
主要为工业机器人、纺织机械、谐波减速器、工程矿山机械、医疗领域等行业提供高质量轴承。
完善的售后服务体系
本厂集科研开发、生产、销售于一体,以意识超前,科技前卫和质量过硬深受用户青睐。

扫一扫
扫一扫