 
    
    
交叉滚子转盘外齿型
类别:转盘轴承
单排交叉滚子型转盘轴承由两个套圈组成,结构紧凑、重量轻、制造精度高,能同时承受轴向力、倾覆力矩和较大的径向力,根据使用场合的不同可以分别选择带有内齿或外齿的齿圈,安装和使用方便。被广泛地用于起重运输,工程机械。
咨询热线:0379-64115152
交叉滚子转盘外齿型
类别:转盘轴承
单排交叉滚子型转盘轴承由两个套圈组成,结构紧凑、重量轻、制造精度高,能同时承受轴向力、倾覆力矩和较大的径向力,根据使用场合的不同可以分别选择带有内齿或外齿的齿圈,安装和使用方便。被广泛地用于起重运输,工程机械。
咨询热线:0379-64115152
单排交叉滚子型转盘轴承由两个套圈组成,结构紧凑、重量轻、制造精度高,能同时承受轴向力、倾覆力矩和较大的径向力,根据使用场合的不同可以分别选择带有内齿或外齿的齿圈,安装和使用方便。被广泛地用于起重运输,工程机械。
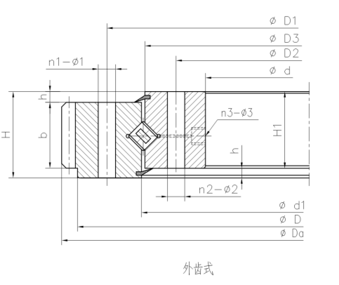
| 交叉滚子型转盘轴承外齿式 
 | |||||
| 轴承型号 | 外 形 尺 寸 | 载荷 | 重量 | ||
| Item No | Dimensions | Basic Cap | Weight | ||
| D | d | H | Coa(10KN) | kg | |
| 1792/885 | 1056 | 885 | 83 | 176 | 172 | 
| E1792/885 | 1056 | 885 | 83 | 176 | 172 | 
| E1792/885K | 1056 | 885 | 83 | 176 | 172 | 
| 1797/885G | 1150 | 885 | 115 | 292 | 230 | 
| 1797/1100G | 1415 | 1100 | 115 | 270 | 497 | 
| 1798/1100G2 | 1400 | 1100 | 140 | 430 | 642 | 
| 1798/1100G2K | 1400 | 1100 | 145 | 430 | 644 | 
| 1797/1250G2 | 1548 | 1250 | 148 | 539 | 661 | 
| 1797/1278G2 | 1595 | 1278 | 120 | 485 | 597 | 
| 1797/1300G2 | 1705 | 1300 | 165 | 578 | 1023 | 
| 1792/1400G | 1715 | 1400 | 110 | 597 | 597 | 
| 1792/1400G2 | 1715 | 1400 | 110 | 597 | 597 | 
| 1792/1400G2K | 1715 | 1400 | 110 | 597 | 597 | 
| 1797/1460G2 | 1800 | 1460 | 125 | 627 | 828 | 
| 1797/1460G2K | -- | 1460 | 125 | 627 | 845 | 
| 1797/1916G2 | -- | 1916 | 150 | 1150 | 1597 | 
| 1797/2100G2 | 2600 | 2100 | 180 | 1100 | 2395 | 
| 1797/2100G2K | 2600 | 2100 | 180 | 1100 | 2392 | 
| 1797/2460G2 | -- | 2460 | 220 | 1386 | 4091 | 
| 1797/2460G2U | -- | 2460 | 220 | 1386 | 4091 | 
| 1797/2460G2K | 3108 | 2460 | 220 | 1386 | 4091 | 
| 1797/2460G2K1 | 3108 | 2460 | 220 | 1386 | 4091 | 
| 1797/2500G2 | -- | 2500 | 210 | 1996 | 4597 | 
| 1797/2500K | 2920 | 2500 | 260 | 1996 | 5407 | 
| 1797/2500G2K1 | 2920 | 2500 | 260 | 1996 | 5407 | 
| 1797/2600G | -- | 2600 | 200 | 2030 | 3936 | 
| 1797/2600G2 | -- | 2600 | 200 | 2030 | 3936 | 
| 1797/2600G2K | -- | 2600 | 200 | 2030 | 3936 | 
| 1797/2600G2K1 | -- | 2600 | 200 | 2320 | 3558 | 
| 1797/2635G | 3332 | 2635 | 270 | 2950 | 5937 | 
| 1797/2635G2 | 3332 | 2635 | 270 | 2950 | 5937 | 
| 1797/3230G | 3970 | 3230 | 240 | 3520 | 7612 | 
| 1797/3230GY | 3970 | 3230 | 240 | 3520 | 7612 | 
| 1797/3230G2 | 3970 | 3230 | 240 | 3520 | 7613 | 
| 1797/3230G2K | 3970 | 3230 | 240 | 3520 | 7613 | 
| 1797/3230G2K2 | 3970 | 3230 | 240 | 3520 | 7804 | 
| 1797/3230G2K3 | 3940 | 3230 | 240 | 3593 | 7302 | 
| 1797/3230G2Y | 3970 | 3230 | 240 | 3593 | 7613 | 
| 1797/3230G2Y2 | 3970 | 3230 | 240 | 3593 | 7613 | 
| 1797/3230G2Y3 | -- | 3230 | 240 | 3520 | 7613 | 
| 1797/3230GK4 | 3970 | 3230 | 240 | 3520 | 7613 | 
| 1797/3230GK5 | 3970 | 3230 | 240 | 3520 | 7613 | 
| 1797/3230G2Y3K | -- | 3230 | 240 | 3520 | 7686 | 
| 1797/3760G | 4220 | 3760 | 240 | 3210 | 4396 | 
| 1797/4250G | 4940 | 4250 | 250 | 4520 | 8954 | 
10余年轴承设计加工经验
公司具有10余年轴承设计加工经验,拥有专业轴承研发技术团队和自动化的加工设备。大大提高的产品的精度,完善了产品的服务。
产品分类覆盖面广
等截面薄壁轴承有七个开式和五个密封类型,内孔直径从1英寸-40英寸均可加工,结构分为深沟球、四点接触球、角接触球三种。交叉滚子轴承有RB型、SX型、RE型、RU型、XV型、CRBH型、CRBS型、CRBC型、CRBF型。型号齐全,可供选型。
主要业务行业覆盖面广
主要为工业机器人、纺织机械、谐波减速器、工程矿山机械、医疗领域等行业提供高质量轴承。
完善的售后服务体系
本厂集科研开发、生产、销售于一体,以意识超前,科技前卫和质量过硬深受用户青睐。

扫一扫
扫一扫